API609 Butterfly Valve
PTFE Seated Corrosion Resistant Split Body API609 Butterfly Valve
PTFE Seated Corrosion Resistant Split Body API609 Butterfly Valve
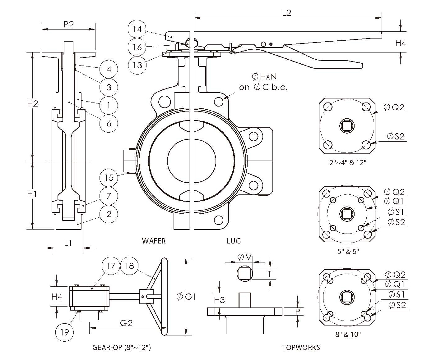
PTFE seated butterfly valve is a split body
boot seated butterfly valve designed for bubble tight service o corrosive
applications. The PTFE lined seat and stainless steel disc/stem provide
superior corrosion resistance, but with the economy of a cast iron body.
Features
Rated to 150 PSI
Designed for 125/150 Lbs Flanges
Split Body for Easy Maintenance
Heavy-duty Square Groove Boot Seat
Lug Bodies for Dead-End Service, Rated to
75 PSI Without Downstream Flange*
Vacuum Rated to 29.92"Hg
Shell Tested to 150% & Seat Tested to 110%
of Maximum Working Pressure
Two Layer Epoxy/Polyurethane Body Coating
Low Maintenance Design
Sizes 2" to 12"
Details
|
Type |
Wafer, Lugged |
|
Face to face |
API609, BS EN 558,
DIN3202 |
|
Flange |
ISO 5752 |
|
DIN, BS, UNI, ISO,
ANSI, |
|
|
AS JIS |
|
|
Mounting Flange |
ISO 5211 |
Standard Material For Main Parts


