API609 Butterfly Valve
NBR Liner Stainless Steel Body Concentric API609 Butterfly Valve
NBR Liner Stainless Steel Body Concentric API609 Butterfly Valve
Description:
China cast iron butterfly valves offered in
Wafer style. These valves are available with Ductile Iron, Aluminum-Bronze or
316 Grade Stainless steel discs. These valves are in stock with both BUNA-N and
EPDM liners. Viton liners are available upon request. The new design
incorporates a one-piece stem with an important new feature. The disc is
broached to fit the milled square stem with allows the disc to float, giving
substantially improve torque valves. It is also available with lever operators
and worm gear operators and feature bubble tight shut-off. The lug configuration
is suitable for dead-end service. All Butterfly Valves can be modified with
extensions and various actuators.
Features
* Stainless Steel Disc, Lever Handle, Gray Body,
EPDM Seat
* 200WOG
* Teflon Graphite Stem Bushing for positive
stem alignment
* Stem includes a snap ring to prevent
inadvertent stem removal
* Unique Stem to Disc design
* Epoxy coated
* Torque Values up to 33% less than other
valve designs
* Precision disc machining provides
bubble-tight shutoff
* Top and bottom alignment holes
* Ten Position lock lever handles are ideal
for on-off and throttling applications
Applications
|
Agricultural irrigation |
Water distribution |
Waste water treatment |
|
Pulp & pater |
Chemical |
Oil & gas |
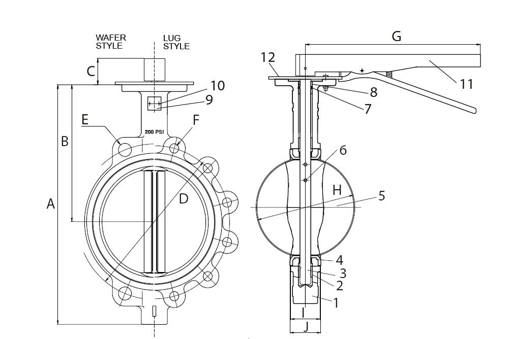
Key Parts

|
PART |
DESCRIPTION |
STANDARD MATERIAL |
|
1 |
Body |
Cast Iron,Ductile Iron, Carbon Steel, Stainless Steel |
|
2 |
Bushing |
PTFE |
|
3 |
Stem |
Stainless Steel 416,316,304 |
|
4 |
Liner |
Buna-N, EPDM |
|
5 |
Disc |
Aluminum Bronze, Ductile Iron Nickel Plated |
|
6 |
Taper Pin |
SS316 |
|
7 |
O-ring |
Buna-N, EPDM |
|
8 |
Bushing |
PTFE |
|
9 |
Plate Rivet |
Aluminum |
|
10 |
Name Plate |
Aluminum |
|
11 |
Handle |
Malleable iron |
|
12 |
Throttle plate |
Plated steel |