API609 Butterfly Valve
Mono Flange Ductil Iron Body Concentric API609 Butterfly Valve
Mono Flange Ductil Iron Body Concentric API609 Butterfly Valve
Description
Mono
Flange Butterfly Valve with Centric Disc and Bonded Liner. 100% bi-directional
bubble tight shut off.
Applicable for all kinds of industries, especially shipbuilding, offshore,
petrochemical, heavy industry, water treatment and civil engineering.
Features
*Overall
design generally in accordance to BS En 593
*Face to face dimension in accordance to EN 558 table I, Series 20 (Series 16
from DN700 and above)
*On request available with face to face dimensions in acc. to EN 588 table I,
Series 16 as eccentric *type MONO/S61
*Top flange and shaft end in accordance to ISO 5211
*Working pressure from 0.1 Bar absolute up to 16 Bar (Test Pressure 17.6 Bar)
*Working pressure up to 25 Bar (Test Pressure 27.5 Bar) on request
*Suitable as end of line service valve
*DN50 – DN2200
*Mounting between flanges to DIN PN10, DIN PN16 or ASME Class 150
*Other type of connection on request
Components Featrues

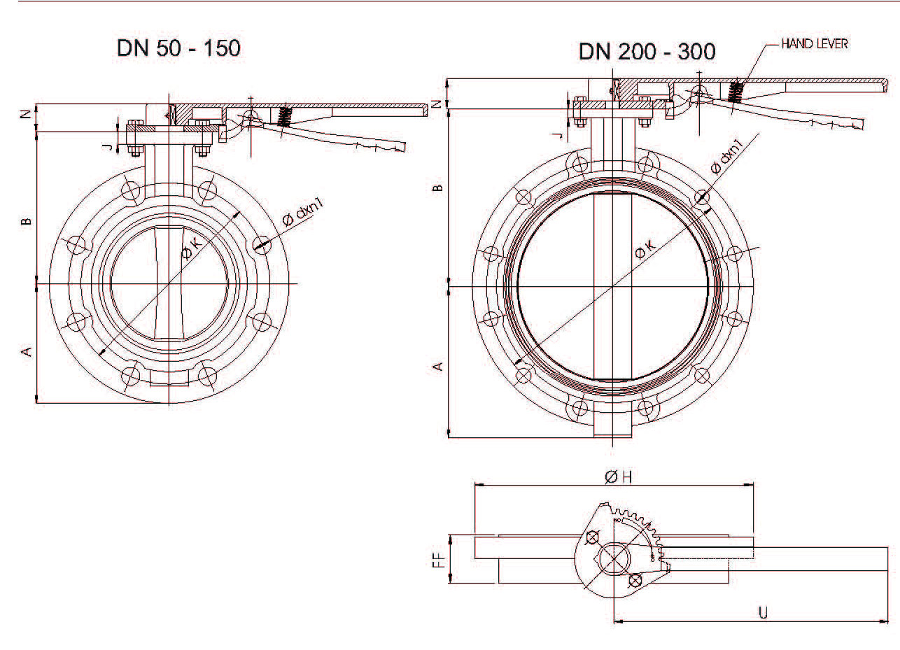
Dimensions
